當前位置: 滾珠絲桿網 ? 線性模組 ? 上銀KK40線性模組
上銀KK40線性模組
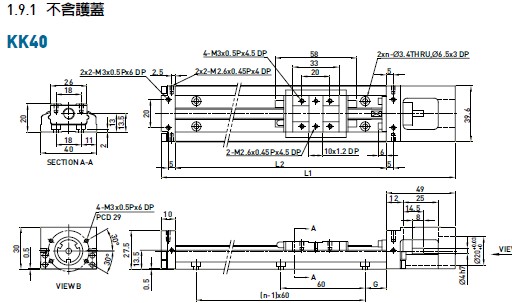
KK40線性模組產品特色
○產品多樣化,可搭配需要選用:
? 驅動方式:可分滾珠絲杠、時規皮帶
? 馬達出力:可自行選配伺服馬達,或步進馬達
? 馬達連結:直接、下接、內藏、左接、右接,依使用空間而定
? 有效行程“100mm~2000mm ”(依螺桿轉速而定)
○組裝與維護容易
○可依顧客需要作客製化、單件或組合件的特殊設計製造
○單軸可組合成多軸使用。
KK40線性模組用途,一般自動化設備均可應用,舉例如下:
自動錫焊機、鎖螺絲機、料架零件盒取放、小型堆棧、黏膠涂佈機、零附件取放搬運、CCD鏡頭移動、自動噴漆機、自動上下料裝置、切割機、電子元件生產設備、小型裝配線、小型壓臺、點焊機、表面覆膜制程、自動貼標簽機械、液糾灌注分裝、零附件檢驗設備、生產線工件整理、村料充填裝置、包裝機、刻印機、輸送帶移位、工件清潔裝置等等。
上銀KK40線性模組的維護
○初次使用前應先將潤滑油補滿,請注意油品種類,不同的潤滑油不可混用。
○正常使用狀況下,建議每行走100 km應檢查運轉狀況一次,清除積污,并補充潤滑油,滑軌及螺桿均應潤滑。
瀏覽線性模組的人還會?
線性模組注意事項、線性模組選型步驟、HIWIN線性模組等!
請需要KK40線性模組的朋友聯系:黃志杰(經理)??? 聯系電話:15802034588。
滾珠絲杠討論①群263545937(專家在線為你解答)歡迎你的加入!
版權所有 © 轉載時必須以鏈接形式注明作者和原始出處!



