當前位置: 滾珠絲桿網 ? 6320滾珠絲桿 ? DFV6320滾珠絲杠
DFV6320滾珠絲杠
雷研精密傳動設備有限公司供應DFV6320滾珠絲杠【貨源充足、價格合理、原裝正品、品牌齊全】滿足客戶的需求。請需要DFV6320滾珠螺桿的朋友聯系:黃志杰(經理)? 聯系電話:15802034588。
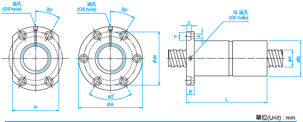
DFV6320滾珠絲桿參數
型號:DFV6320
絲桿外徑:63
導程:20
珠徑:9.525
螺母外徑:122
法蘭直徑:180
法蘭的厚度:28
螺母的長度:220
安裝孔之間的距離:150
法蘭的寬度:130
珠圈數:2.7×1
動額定負荷:8162
靜額定負荷:24741
剛性:107
DFV6320滾珠絲杠副的防護
??? 滾珠絲杠副和其他滾動摩擦的傳動器件一樣,應避免硬質灰塵或切屑污物進入,因此,必須裝有防護裝置。如果滾珠絲杠副在機床上外露,則應采用封閉的防護罩,如采用螺旋彈簧鋼帶套管、伸縮套管以及折疊式套管等。安裝時,將防護罩的一端連接在滾珠螺母的側面,另一端固定在滾珠絲杠的支承座上。
如果滾珠絲杠副處于隱蔽的位置,則可采用密封圈防護,密封圈裝在螺母的兩端。接觸式的彈性密封圈采用耐油橡膠或尼龍制成,其內孔做成與絲杠螺紋滾道相配的形狀;接觸式密封圈的防塵效果好,但由于存在接觸壓力,使摩擦力矩略有增加。
非接觸式密封圈又稱迷宮式密封圈,它采用硬質塑料制成,其內孔與絲杠螺紋滾道的形狀相反,并稍有間隙,這樣可避免摩擦力矩,但防塵效果差。工作中應避免碰擊防護裝置,防護裝置一有損壞應及時更換。
瀏覽DFV6320滾珠絲桿的用戶還會?
DFV6310滾珠絲杠、DFV4020滾珠絲桿等。
滾珠絲杠討論①群263545937(專家在線為你解答)歡迎你的加入!
版權所有 © 轉載時必須以鏈接形式注明作者和原始出處!


