當前位置: 滾珠絲桿網 ? 2005滾珠絲杠 ? SFIR205T滾珠絲桿
SFIR205T滾珠絲桿

雷研精密傳動設備有限公司供應SFI205T滾珠絲桿【貨源充足、價格合理、原裝正品、品牌齊全】請需要SFI205T滾珠絲杠的朋友聯系:黃志杰(經理)? 聯系電話:15802034588。
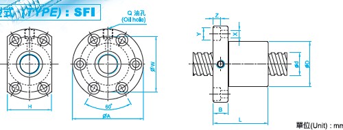
SFI205T滾珠絲杠參數
型號:SFI205T
絲桿外徑:20
導程:5.08
珠徑:3.175
螺母外徑:34
法蘭直徑:57
法蘭的厚度:11
螺母的長度:51
安裝孔之間的距離:45
法蘭的寬度:40
珠圈數:1×4
動額定負荷:1550
靜額定負荷:3875
剛性:39。
圖紙下載:SFIR205T滾珠絲桿圖紙PDF
【滾珠絲杠螺母副問隙的消除滾珠絲杠螺母副的間隙是軸向間隙】
軸向間隙的數值是指絲杠和螺母無相對轉動時,絲杠和螺母之間的最大軸向竄動量,除了結構本身所有的游隙之外,還包括施加軸向載荷后絲杠產生彈性變形所造成的軸向竄動量。
為了保證滾珠絲杠傳動精度和軸向剛度,必須消除滾珠絲杠間隙。除了少數用微量過盈滾珠的單螺母消除間隙外,常采用雙螺母結構,利用兩個螺母的相對軸向位移,使兩個滾珠絲杠螺母中的滾珠分別貼緊在螺旋滾道的兩個相反的側面上。用這種方法預緊消除軸向間隙時,應注意預緊力不宜過大,否則會使空載力矩增加,從而降低傳動效率,縮短使用壽命。

瀏覽SFI205T滾珠絲桿的用戶還會?
XSVR1510滾珠絲杠、XSVR1210滾珠絲杠等。
滾珠絲杠討論①群263545937(專家在線為你解答)歡迎你的加入!
版權所有 © 轉載時必須以鏈接形式注明作者和原始出處!


