當前位置: 滾珠絲桿網 ? 2506滾珠絲桿 ? DFV2506滾珠絲杠
DFV2506滾珠絲杠
雷研精密傳動設備有限公司供應DFV2506滾珠絲杠【貨源充足、價格合理、原裝正品、品牌齊全】滿足客戶的需求。請需要DFV2506滾珠絲桿的朋友聯系:黃志杰(經理)? 聯系電話:15802034588。
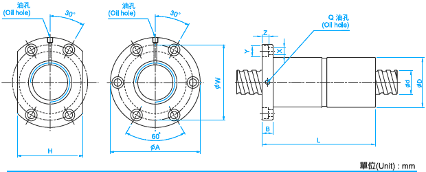
DFV2506滾珠絲杠參數
型號:DFV2506
絲桿外徑:25
導程:6
珠徑:3.969
螺母外徑:53
法蘭直徑:76
法蘭的厚度:11
螺母的長度:116
安裝孔之間的距離:64
法蘭的寬度:58
珠圈數:4.8×1
動額定負荷:2711
靜額定負荷:7268
剛性:78
滾珠絲桿保養
【潤滑量】
滾珠螺桿的潤滑量,如果太少了會使潤滑中斷,太多了則會發熱以及增加阻力,因此必須根據使用條件選定適當的潤滑量。
【油脂】油脂的進給量,一般來說占螺帽內部空間容積的三分之一左右。
【處置及放置】
(1)分解各部分后可能導致異物的進入或者對各部分的組裝精度造成不利影響,請勿分解。
(2)螺桿軸及滾珠螺桿螺帽傾斜后可能因為自身重量而落下,請加以注意。
(3)落下或敲擊滾珠螺桿可能使滾珠迴圈部破損從而造成功能的損失,如果施加了衝擊,則即使外觀看不出破損也可能造成功能上的損壞,請加以注意。
瀏覽DFV2506滾珠絲桿的用戶還會?
DFV505滾珠絲杠、DFV2024滾珠絲桿等。
滾珠絲杠討論①群263545937(專家在線為你解答)歡迎你的加入!
版權所有 © 轉載時必須以鏈接形式注明作者和原始出處!


