當前位置: 滾珠絲桿網 ? 2508滾珠絲桿 ? DFV2508滾珠絲桿
DFV2508滾珠絲桿
雷研精密傳動設備有限公司供應DFV2508滾珠絲桿【貨源充足、價格合理、原裝正品、品牌齊全】滿足客戶的需求。請需要DFV2508滾珠絲杠的朋友聯系:黃志杰(經理)? 聯系電話:15802034588。
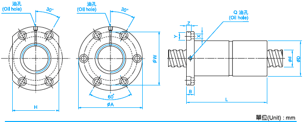
DFV2508滾珠絲杠參數
型號:DFV2508
絲桿外徑:25
導程:8
珠徑:4.762
螺母外徑:56
法蘭直徑:85
法蘭的厚度:13
螺母的長度:134
安裝孔之間的距離:71
法蘭的寬度:64
珠圈數:4.8×1
動額定負荷:3466
靜額定負荷:8766
剛性:82。

【DFV2508的潤滑】
(1)請仔細擦拭防鐫油并封入潤滑劑后再使用。
(2)請避免將性狀不同的潤滑劑混合在一起使用。
(3)在經常產生振動的場所、無塵室、真空、低溫或高溫等特殊環境下使用時,有可能無法使用通常的潤滑劑。詳細情況請與我們聯系。
(4)要使用特殊的潤滑劑時,請事先與我們聯系。
(5)潤滑間隔因使用條件的不同而異,詳細情況請與我們聯系。
瀏覽DFV2508滾珠絲桿的用戶還會?
DFV2506滾珠絲杠、DFV2505滾珠絲杠等
滾珠絲杠討論①群263545937(專家在線為你解答)歡迎你的加入!
版權所有 © 轉載時必須以鏈接形式注明作者和原始出處!

