當前位置: 滾珠絲桿網 ? 6310滾珠絲桿 ? SCI6310滾珠絲杠
SCI6310滾珠絲杠
雷研精密傳動設備有限公司供應SCI6310滾珠絲杠【貨源充足、價格合理、原裝正品、品牌齊全】請需要SCI6310滾珠絲杠的朋友聯系:黃志杰(經理)? 聯系電話:15802034588。
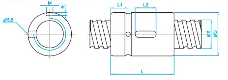
SCI6310滾珠絲桿參數
型號:SCI6310
絲桿外徑:63
導程:10
珠徑:6.35
螺母外徑:85
螺母的長度:85
珠圈數:1×4
動額定負荷:6719
靜額定負荷:25358
剛性:95。
根據推力軸承的布置,絲杠有以下四種支承方式。
(1)“雙推一自由”式這種方式適用于短絲杠。
(2)“雙推一支承”式這種方式可避免絲杠因自重引起彎曲,以及高速回轉時自由端的晃動。
(3)“單推一單推”或“雙推一單推”式它的優點是可對絲杠進行預拉伸安裝。預拉伸的好處有:
①減少絲杠因自重引起的彎曲;
②在推力軸承預緊力大于絲杠最大軸向載荷1/3的條件下,絲杠拉壓剛度可提高四倍;
③絲杠不會因溫升而伸長(溫升只減小預拉伸應力),保持了絲杠精度。此外,這種支承方式使絲杠只承受拉力,不承受壓力。因此不存在壓桿穩定性問題。
(4)“雙推一雙推”式這種支承方式剛度最高。只要軸承無軸向間隙,絲杠的拉壓剛度可提高四倍。可以進行預拉伸安裝,克服熱膨脹。當溫升超過預計的溫升時,不會像“單推一單推”式那樣產生軸向間隙。這種支承方式的最大缺點是:實現預拉伸及其調整方法較第三種支承方式復雜。
瀏覽SCI6310滾珠絲桿的用戶還會?
DFS6310滾珠絲桿、DFI6310滾珠絲桿、SFU6310滾珠絲杠等。
滾珠絲杠討論①群263545937(專家在線為你解答)歡迎你的加入!
版權所有 © 轉載時必須以鏈接形式注明作者和原始出處!


