當前位置: 滾珠絲桿網 ? 6310滾珠絲桿 ? SFI6310滾珠絲桿
SFI6310滾珠絲桿
雷研精密傳動設備有限公司供應SFI6310滾珠絲桿【貨源充足、價格合理、原裝正品、品牌齊全】請需要SFI6310絲杠的朋友聯系:黃志杰(經理)? 聯系電話:15802034588。
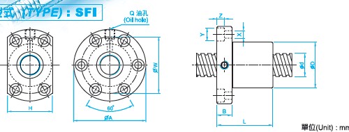
SFI6310滾珠絲杠參數
型號:SFI6310
絲桿外徑:63
導程10
珠徑:6.35
螺母外徑:85
法蘭直徑:131
法蘭的厚度:22
螺母的長度:98
安裝孔之間的距離:107
法蘭的寬度:95
珠圈數:1×4
動額定負荷:6719
靜額定負荷:25358
剛性:95。
【滾珠絲杠副結構的選擇】
根據防塵防護條件以及對調隙及預緊的要求,可選擇適當的結構形式。例如,當允許有時隙存在時(如垂直運動),可選用具有單圓弧形螺紋滾道的單螺母滾珠絲杠副;當必須有預緊和在使用過程中因磨損而需要定期調整時,應采用雙螺母螺紋預緊或齒差預緊式結構;當具備良好的防塵條件,且只需在裝配時調整間隙及預緊力時,可采用結構簡單的雙螺母墊片調整預緊式結構。
瀏覽DFU6310滾珠絲桿的用戶還會?
DFU6310滾珠絲杠、SCI6310滾珠絲桿等
滾珠絲杠討論①群263545937(專家在線為你解答)歡迎你的加入!
版權所有 © 轉載時必須以鏈接形式注明作者和原始出處!


