當前位置: 滾珠絲桿網 ? DFV滾珠絲杠 ? DFV3205滾珠絲杠
DFV3205滾珠絲杠
雷研精密傳動設備有限公司供應DFV3205滾珠絲杠【貨源充足、價格合理、原裝正品、品牌齊全】請需要DFV3205滾珠絲桿的朋友聯系:黃志杰(經理)? 聯系電話:15802034588。
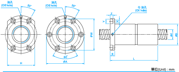
DFV3205滾珠絲桿參數
型號:DFV3205
絲桿外徑:32
導程:5
珠徑:3.175
螺母外徑:58
法蘭直徑:85
法蘭的厚度:12
螺母的長度:106
安裝孔之間的距離:71
法蘭的寬度:64
珠圈數:4.8×1
動額定負荷:2249
靜額定負荷:7612
剛性:90
球保持器效果
【低噪音、好音質】
使用球保持器消除了鋼球之間的碰撞噪音。此外,因為鋼球是以切線方向排列的,由鋼球循環引起的碰撞噪音也已被消除。
【長期運行而免維護】
鋼球之間相互摩擦已被消除,并且由干提供了潤滑脂袋使潤滑脂得以保持,從而實現了長期運行而免維護(即長期內無須給脂)。
【平滑的運動】
使用球保持器消除了鋼球之間的相互摩擦,并降低了扭矩變動率,從而實現了平滑的旋轉運動。
瀏覽DFV3205滾珠絲桿的用戶還會?
DFV2510滾珠絲杠、DFV3204滾珠絲桿等。
滾珠絲杠討論①群263545937(專家在線為你解答)歡迎你的加入!
版權所有 © 轉載時必須以鏈接形式注明作者和原始出處!


