當前位置: 滾珠絲桿網 ? 4005滾珠絲桿 ? SFI4005滾珠絲杠
SFI4005滾珠絲杠
雷研精密傳動設備有限公司供應SFI4005滾珠絲杠【貨源充足、價格合理、原裝正品、品牌齊全】請需要SFI4005絲杠的朋友聯系:黃志杰(經理)? 聯系電話:15802034588。
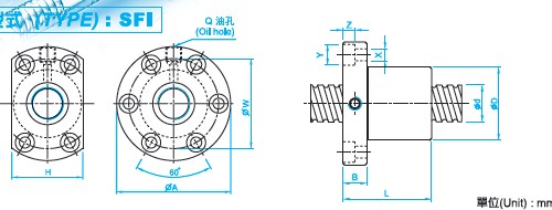
SFI4005滾珠絲桿參數
型號:SFI4005
絲桿外徑:40
導程5
珠徑:3.175
螺母外徑:56
法蘭直徑:90
法蘭的厚度:15
螺母的長度:55
安裝孔之間的距離:72
法蘭的寬度:64
珠圈數:1×4
動額定負荷:2110
靜額定負荷:17988
剛性:59。
【SFI4005滾珠絲杠支承軸承的選用】
??? 由于絲杠主要承受軸向力,大多采用推力軸承作支承。在相同尺寸條件下,推力球軸承軸向剛度比向心推力球軸承及圓錐滾子軸承的軸向剛度要大一倍以上;推力滾柱軸承剛度又比推力球軸承大一倍左右。當軸向載荷較小時,可不用推力球軸承而用向心推力球軸承,這樣可減軸承數量。
瀏覽SFI4005滾珠絲桿的用戶還會?
DFU4005滾珠絲杠、SCI4005滾珠絲杠等。
滾珠絲杠討論①群263545937(專家在線為你解答)歡迎你的加入!
版權所有 © 轉載時必須以鏈接形式注明作者和原始出處!


